PPµç×Ó

PPµç×Ó(Öйú¼¯ÍÅ)¹ÙÍøÊ×Ò³
PPµç×Ó(Öйú¼¯ÍÅ)¹ÙÍøÊ×Ò³

ÐýתÌÖÂÛ

Ê×Ò³ - ²úƷչʾ

big20224151736175465

MXQÐÍ ÐýתÌÖÂÛ (È«·¨À¼)

ÐͺţºMXQ
Íâ¹Ü£º·¨À¼
ÌØÕ÷£ºÊÊÓÃÓÚÕôÆû¡¢ÈÈÓͽéÖÊ £»£»£»£»£»£» ÕýÇòÃæ»ò·´ÇòÃæÃÜ·â £»£»£»£»£»£» ±ê׼̼ʯīÃÜ·âÉè¼Æ £»£»£»£»£»£» ϸÃÜÖýÌú¿ÇÌå £»£»£»£»£»£» ¿É×Ô¶¯µ÷ÐÄ £»£»£»£»£»£» Æ«°Ú˳ӦÐÔÇ¿¡£¡£¡£

ÊÖÒÕ²ÎÊý£º
ÊÊÓýéÖÊ ÕôÆû¡¢ÈÈÓÍ
×î¸ßÎÂ¶È ¡Ü220¡æ£¨ÕôÆû£©¡¢¡Ü350¡æ£¨ÈÈÓÍ£©
×î¸ßѹÁ¦ ¡Ü1.8MPa
×î¸ßתËÙ 25A¡¢40A  ¡Ü250rpm

²úÆ·×Éѯ ·µ»ØÁбí

ÏúÊÛ·þÎñÈÈÏߣº

0595-8686 1188

PPµç×Ó(Öйú¼¯ÍÅ)¹ÙÍøÊ×Ò³


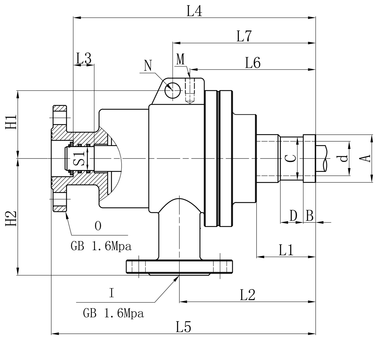
Model I O S1 d L1 L2 L3 L4 L5 L6 L7 N M H1 H2 ·¨À¼Ê½Íâ¹Ü³ß´ç±ÈÕÕ±í
A B C D
25A DN15 DN15 15 23.5 53 112 30 197 213 110 / / M10 / 100 34 10 32 18
40A DN25 DN25 25 36 63 143 22 254 277 132 150 16 M10 71 122 49.8 13 45 20
ÈçÊô¹æ¸ñÆ·Í⣬£¬±¾¹«Ë¾¿ÉÅäºÏÒªÇóÖÆ×÷¡£¡£¡£
¹æ¸ñ³ß´çÈôÓÐÐ޸쬣¬Ë¡²»ÁíÐÐ֪ͨ¡£¡£¡£

Copyright ?PPµç×Ó °æÈ¨ËùÓÐ ÃöICP±¸05026600ºÅ Öлú±ê×¼»¯Ñо¿Ôº ÍøÕ¾½¨É裺¿ÆÎ°ÍøÂç

¡¾ÍøÕ¾µØÍ¼¡¿
MXQÐÍ ÐýתÌÖÂÛ (È«·¨À¼)_PPµç×Ó,PPµç×ӿƼ