
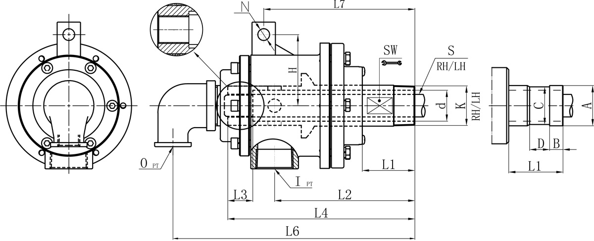
RN
| Model | K | I | O | S1 | d | L1 | L2 | L3 | L4 | L6 | L7 | N | H | SW | ·¨À¼Ê½Íâ¹Ü³ß´ç±ÈÕÕ±í | |||
| A | B | C | D | |||||||||||||||
| 25A | R1" | Rc3/4" | Rc1/2" | 16 | 23.5 | 53 | 141 | 20 | 182 | 236 | 153 | 12 | 66 | 32 | 34 | 12 | 32 | 18 |
| 32A | R1-1/4" | Rc1" | Rc1/2" | 20 | 30 | 55 | 159 | 25 | 204 | 259 | 171 | 14 | 78 | 39 | 40 | 13 | 38 | 20 |
| 40A | R1-1/2" | Rc1-1/4" | Rc3/4" | 25 | 36 | 65 | 177 | 30 | 224 | 288 | 187 | 14 | 85 | 46 | 47.8 | 13 | 45 | 20 |
| 50A | R2" | Rc1-1/2" | Rc1" | 32 | 45 | 73 | 197 | 32 | 253 | 322 | 215 | 14 | 93 | 57 | 60 | 16 | 57 | 24 |
¹æ¸ñ³ß´çÈôÓÐÐ޸쬣¬Ë¡²»ÁíÐÐ֪ͨ¡£¡£¡£¡£¡£¡£
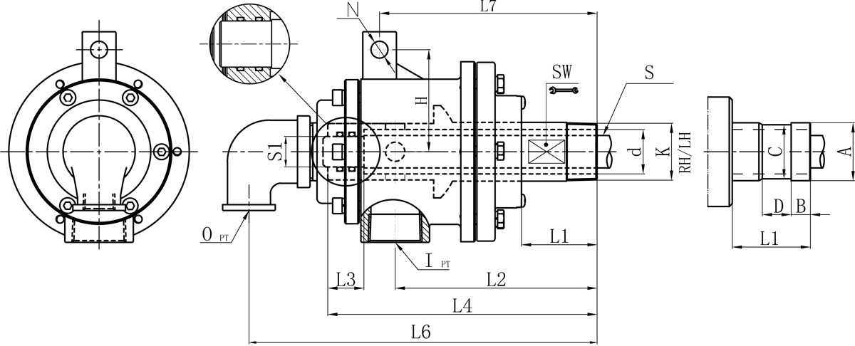
RT
| Model | K | I | O | S | d | L1 | L2 | L3 | L4 | L6 | L7 | N | H | SW | ·¨À¼Ê½Íâ¹Ü³ß´ç±ÈÕÕ±í | |||
| A | B | C | D | |||||||||||||||
| 25A | R1" | Rc3/4" | Rc1/2" | Rp3/8" | 23.5 | 53 | 141 | 20 | 182 | 236 | 153 | 12 | 66 | 32 | 34 | 12 | 32 | 18 |
| 32A | R1-1/4" | Rc1" | Rc1/2" | Rp1/2" | 30 | 55 | 159 | 25 | 204 | 259 | 171 | 14 | 78 | 39 | 40 | 13 | 38 | 20 |
| 40A | R1-1/2" | Rc1-1/4" | Rc3/4" | Rp3/4" | 36 | 65 | 177 | 30 | 224 | 288 | 187 | 14 | 85 | 46 | 47.8 | 13 | 45 | 20 |
| 50A | R2" | Rc1-1/2" | Rc1" | Rp1" | 45 | 73 | 197 | 32 | 253 | 322 | 215 | 14 | 93 | 57 | 60 | 16 | 57 | 24 |
¹æ¸ñ³ß´çÈôÓÐÐ޸쬣¬Ë¡²»ÁíÐÐ֪ͨ¡£¡£¡£¡£¡£¡£
¹ØÓÚPPµç×Ó
PPµç×Ó¼ò½é ÆóÒµÎÄ»¯ Éú³¤Àú³Ì ÊÖÒÕˢРÉú²úÖÊÁ¿ ÆóÒµÉùÓþ ÊÓÆµÖÐÐIJúÆ·ÖÐÐÄ
ÐýתÌÖÂÛ ½ðÊôÈí¹Ü ʯīÅä¼þÐÂÎÅÖÐÐÄ
¹«Ë¾ÐÂÎÅ ÐÐÒµÐÂÎÅ Õ¹»áÐÅÏ¢ ÊÖÒÕÎÄÕÂÊÖÒÕÖ§³Ö
²úƷĿ¼ ×°ÖÃ×ÊÁÏÈËÁ¦×ÊÔ´
Åàѵ»úÖÆ Éú³¤Æ½Ì¨ н³ê¸£Àû ÕÐÆ¸ÐÅÏ¢¹Ø×¢ÎÒÃÇ

ÁªÏµPPµç×Ó
ÌìÏÂͳһ·þÎñÈÈÏßCopyright ?PPµç×Ó °æÈ¨ËùÓÐ ÃöICP±¸05026600ºÅ Öлú±ê×¼»¯Ñо¿Ôº ÍøÕ¾½¨É裺¿ÆÎ°ÍøÂç