
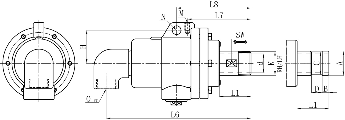
| Model | K | O | d | L1 | L6 | L7 | L8 | M | N | H | SW | ·¨À¼Ê½Íâ¹Ü³ß´ç±ÈÕÕ±í | |||
| A | B | C | D | ||||||||||||
| 20A | R3/4" | Rc3/4" | 18 | 46 | 199 | 96 | / | M10 | / | / | 24 | 26 | 11 | 24 | 16 |
| 25A | R1" | Rc1" | 23.5 | 51 | 212 | 109 | / | M10 | / | / | 32 | 34 | 12 | 32 | 18 |
| 32A | R1-1/4" | Rc1-1/4" | 30 | 55 | 245 | 108 | 124 | M10 | 14 | 60 | 41 | 40 | 13 | 38 | 20 |
| 40A | R1-1/2" | Rc1-1/2" | 36 | 62 | 280 | 133 | 149 | M10 | 16 | 71 | 45 | 47.8 | 13 | 45 | 20 |
| 50A | R2" | Rc2" | 45 | 71 | 326 | 150 | 173 | M12 | 18 | 81 | 55 | 60 | 16 | 57 | 24 |
| 65A | R2-1/2¡± | Rc2-1/2¡± | 58 | 76 | 368 | 157 | 183 | M12 | 20 | 91 | 70 | 74 | 19 | 70 | 24 |
| 80A | R3¡± | Rc3¡± | 72 | 87 | 441 | 187 | 214 | M12 | 20 | 100 | 85 | 87 | 25 | 84 | 24 |
ÈçÊô¹æ¸ñÆ·Í⣬£¬£¬£¬£¬±¾¹«Ë¾¿ÉÅäºÏÒªÇóÖÆ×÷¡£¡£¡£¡£¡£
¹æ¸ñ³ß´çÈôÓÐÐ޸쬣¬£¬£¬£¬Ë¡²»ÁíÐÐ֪ͨ¡£¡£¡£¡£¡£
¹ØÓÚPPµç×Ó
PPµç×Ó¼ò½é ÆóÒµÎÄ»¯ Éú³¤Àú³Ì ÊÖÒÕˢРÉú²úÖÊÁ¿ ÆóÒµÉùÓþ ÊÓÆµÖÐÐIJúÆ·ÖÐÐÄ
ÐýתÌÖÂÛ ½ðÊôÈí¹Ü ʯīÅä¼þÐÂÎÅÖÐÐÄ
¹«Ë¾ÐÂÎÅ ÐÐÒµÐÂÎÅ Õ¹»áÐÅÏ¢ ÊÖÒÕÎÄÕÂÊÖÒÕÖ§³Ö
²úƷĿ¼ ×°ÖÃ×ÊÁÏÈËÁ¦×ÊÔ´
Åàѵ»úÖÆ Éú³¤Æ½Ì¨ н³ê¸£Àû ÕÐÆ¸ÐÅÏ¢¹Ø×¢ÎÒÃÇ

ÁªÏµPPµç×Ó
ÌìÏÂͳһ·þÎñÈÈÏßCopyright ?PPµç×Ó °æÈ¨ËùÓÐ ÃöICP±¸05026600ºÅ Öлú±ê×¼»¯Ñо¿Ôº ÍøÕ¾½¨É裺¿ÆÎ°ÍøÂç