PP电子

PP电子(中国集团)官网首页
PP电子(中国集团)官网首页

Rotary Joint

Home - Products

big202248102455303

MXQ3 Rotary Joint (Fixed)

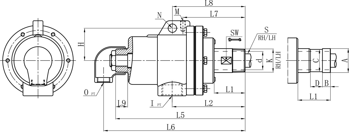
Model:MXQ3
Outer pipe: Thread connection or flange connection
Feature:Convex or concave spherical seal; Standard antimony impregnated graphite or carbon graphite sealing technology; Double widely spaced graphite bearing support; Precision cast iron shell; Dual-flow design; Preventive maintenance design wiht sealing abrasion scale line; Surface treatment of the rotating shaft for abrasion resistance and corrosion resistance; Automatic centering.

Technical Parameter:
Media Steam、Hot oil
Max.Temperature ≤350℃ (Hot oil); ; ;;;≤220℃ (Steam)
Max.Pressure ≤1.8MPa
Max.Speed ≤ 200rpm

Product consultation Back to list

Sales Service Hotline:

0595-8686 1188

PP电子(中国集团)官网首页


Model K I O S d L1 L2 L5 L6 L7 L8 L9 M N H SW Flange outer tube size control table
A B C D
32A R1-1/4" Rc1" Rc1/2" Rp1/2" 30 51 122 222 238 108 124 23 M10 14 60 41 40 13 38 20
40A R1-1/2" Rc1-1/4" Rc3/4" Rp3/4" 36 62 143 254 278 133 149 22 M10 16 71 46 47.8 13 45 20

We offer customized products if special sizes.
Specifications are subject to change without notice.

Copyright ?Fujian Minxuan Technology Co., Ltd. all rights reserved 闽ICP备05026600号 中机标准化研究院 BY:KEW

【网站地图】
MXQ3 Rotary Joint (Fixed)_Fuji