PP电子

PP电子(中国集团)官网首页
PP电子(中国集团)官网首页

Rotary Joint

Home - Products

big202110191727201262

MXB Rotary joint (Mono Flow)

Model:MXBWMT、MXBWMQ
Outer pipe:Thread connection or flange connection
Feature:Plane seal design; Multi-spring design; Spring external balance design; Self-supporting design; Standard carbon graphite seal design; Balanced non-metallic combined friction design or balanced non-metallic friction pair design; High precision metal bearing support; Single-path or dual-path design; High concentricity; Low torque; Suitable for high speed; Split design; Easy to maintain.

Technical Parameter:
Media Water、Oil
Max.Temperature ≤120℃(Water)、≤300℃(Oil)
Max.Pressure ≤1.0MPa
Max.Speed

15A-80A≤3000rpm


Product consultation Back to list

Sales Service Hotline:

0595-8686 1188

PP电子(中国集团)官网首页


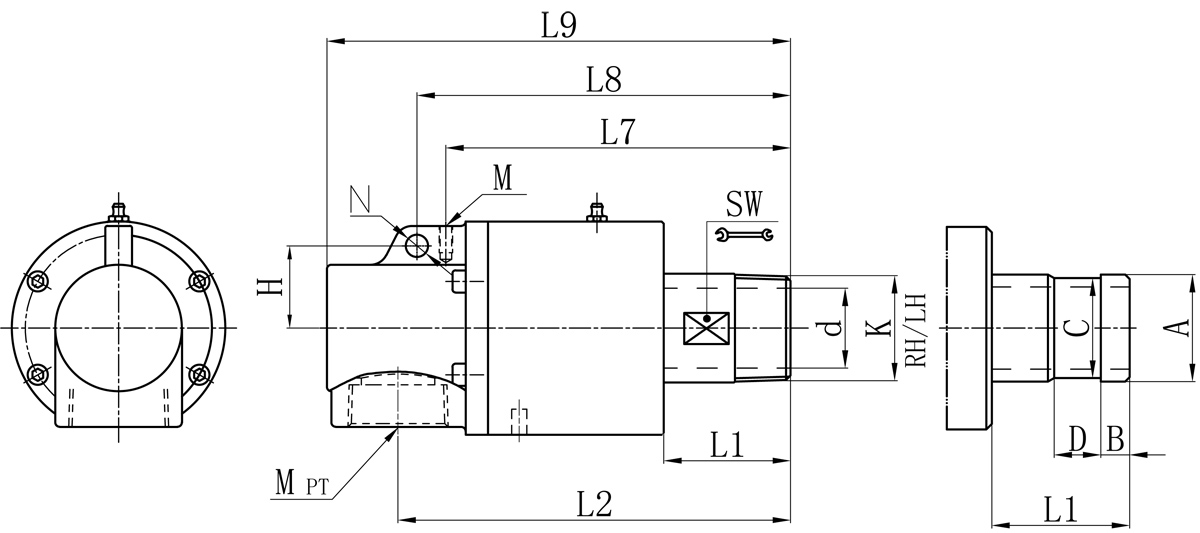
Model K M d L1 L2 L7 L8 L9 M N H SW Flange outer tube size control table
A B C D
15A R1/2” Rc1/2” 13 35 113 104 / 128 M6 / / 22 / / / /
20A R3/4” Rc3/4” 17 42 132 121 / 150 M6 / / 26 26 11 24 16
25A R1” Rc1” 21 42 138 124 / 159 M6 / / 32 34 12 32 18
32A R1-1/4” Rc1-1/4” 30 50 160 141 / 188 M8 / / 41 40 13 38 20
40A R1-1/2” Rc1-1/2” 36 57 176 155 168 206 M6 10 37 46 47.8 13 45 20
50A R2” Rc2” 46 70 202 175 189 240 M8 10 44 57 60 16 57 24

We offer customized products if special sizes.
Specifications are subject to change without notice.

Copyright ?Fujian Minxuan Technology Co., Ltd. all rights reserved 闽ICP备05026600号 中机标准化研究院 BY:KEW

【网站地图】
MXB Rotary joint (Mono Flow)_F