PP电子

PP电子(中国集团)官网首页
PP电子(中国集团)官网首页

Rotary Joint

Home - Products

big202110191536247

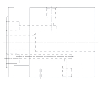
525 Mutiple passages rotary joint

Model:525
Outer pipe:Thread connection or flange connection
Feature:Self-supporting rotor; Own discharge passage,prevent leakage between inner passages; Wide separation from two graphite rings,bearing load from side; Special seal; Mutiple passages design.

Technical Parameter:
Media Hydraulic Oil
Max.Temperature ≤80℃
Max.Pressure ≤16MPa
Max.Speed ≤80rpm

Product consultation Back to list

Sales Service Hotline:

0595-8686 1188

PP电子(中国集团)官网首页

The products’ size and specification is final to customer requirements

Copyright ?Fujian Minxuan Technology Co., Ltd. all rights reserved 闽ICP备05026600号 中机标准化研究院 BY:KEW

【网站地图】
525 Mutiple passages rotary jo